Design:
Claron Style PSR retainer is designed to retain single acting piston seals. The retainer is manufactured from Acetal (POM) and is profiled to fit into a groove on the piston. The retainer is split with two holes similar to a circlip to facilitate fitting with circlip pliers. The retainer provides a simple housing design solution for all single acting piston seals.
Operating Conditions:
| POM Polyacetal | ||
| DIN | Hydraulic Fluid Description | °C |
| H | Mineral oil without additives | 100 |
| H-L | Mineral Fluid with anti corrosion and anti ageing additives | 100 |
| H-LP | Mineral oil as HL plus additives reducing wear, raising load | 100 |
| H-LPD | Mineral oil as H-LP but with detergents and dispersants | 100 |
| H-V | Mineral oil as H-LP plus improved viscosity temp. | 100 |
| HFA E | Emulsions of mineral oil in water. Water content 80-95% | 55 |
| HFA S | Synthetic oil in water. Water content 80-95% | 55 |
| HFB | Emulsions of water in mineral oil. Water content 40% | 60 |
| HFC | Aqueous polymer solutions. Water content 35% | 60 |
| HFD R | Phosphoric acid ester based | 80 |
| HFD S | Chlorinated hydrocarbon based | 80 |
| HFD T | Mixtures of HFD R and HFD S | 80 |
| HEPG | Polyglycol based | 100 |
| HETG | Vegetable Oil based | 60 |
| HEES | Fully synthetic ester based | 100 |
Temp range                         -30°C to 100°C
Linear Speed m/sec
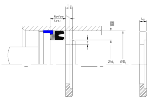
Housing:
For surface finish and recommended lead in chamfers refer to the illustration below. For seal housing dimensions and machining tolerances refer to the catalogue page of selected seal. Refer to Appendix 4 for value of tolerance symbols.
Fitting:
Style PSR snap fits into a groove and may be fitted with standard circlip pliers. For the seal to function correctly, it is important that care be taken in fitting the seal within its housing.
For a detailed checklist, refer to Appendix 3.

| Nominal Dimensions & Machining Tolerances Claron           Part Number            Refer to seal section                Nominal                 +0.13                    +0.00                  +0.13                                                             -0.00         -0.13                   -0.13 ØD1              Ød1           S              L1                T                      L2 |
|||||||||||
| PSR 125086Â Â Â Â Â Â Â Â Â Â Â Â Â Â Â Â Â Â 32.00Â Â Â Â Â Â Â Â Â Â Â Â Â Â Â Â 22.00Â Â Â Â Â Â Â Â Â Â Â Â Â Â Â Â Â Â 5.00Â Â Â Â Â Â Â Â Â Â Â Â Â Â Â Â Â Â 2.62Â Â Â Â Â Â Â Â Â Â Â Â Â Â Â Â Â Â 2.10Â Â Â Â Â Â Â Â Â Â Â Â Â Â Â Â Â Â 5.00 PSR 157110Â Â Â Â Â Â Â Â Â Â Â Â Â Â Â Â Â Â 40.00Â Â Â Â Â Â Â Â Â Â Â Â Â Â Â Â 28.00Â Â Â Â Â Â Â Â Â Â Â Â Â Â Â Â Â Â 6.00Â Â Â Â Â Â Â Â Â Â Â Â Â Â Â Â Â Â 3.12Â Â Â Â Â Â Â Â Â Â Â Â Â Â Â Â Â Â 2.10Â Â Â Â Â Â Â Â Â Â Â Â Â Â Â Â Â Â 6.00 PSR 196137Â Â Â Â Â Â Â Â Â Â Â Â Â Â Â Â Â Â 50.00Â Â Â Â Â Â Â Â Â Â Â Â Â Â Â Â 35.00Â Â Â Â Â Â Â Â Â Â Â Â Â Â Â Â Â Â 7.50Â Â Â Â Â Â Â Â Â Â Â Â Â Â Â Â Â Â 3.30Â Â Â Â Â Â Â Â Â Â Â Â Â Â Â Â Â Â 2.10Â Â Â Â Â Â Â Â Â Â Â Â Â Â Â Â Â Â 6.40 PSR 196157Â Â Â Â Â Â Â Â Â Â Â Â Â Â Â Â Â Â 50.00Â Â Â Â Â Â Â Â Â Â Â Â Â Â Â Â 40.00Â Â Â Â Â Â Â Â Â Â Â Â Â Â Â Â Â Â 5.00Â Â Â Â Â Â Â Â Â Â Â Â Â Â Â Â Â Â 2.62Â Â Â Â Â Â Â Â Â Â Â Â Â Â Â Â Â Â 2.10Â Â Â Â Â Â Â Â Â Â Â Â Â Â Â Â Â Â 5.00 PSR 216157Â Â Â Â Â Â Â Â Â Â Â Â Â Â Â Â Â Â 55.00Â Â Â Â Â Â Â Â Â Â Â Â Â Â Â Â 40.00Â Â Â Â Â Â Â Â Â Â Â Â Â Â Â Â Â Â 7.50Â Â Â Â Â Â Â Â Â Â Â Â Â Â Â Â Â Â 3.30Â Â Â Â Â Â Â Â Â Â Â Â Â Â Â Â Â Â 2.10Â Â Â Â Â Â Â Â Â Â Â Â Â Â Â Â Â Â 6.40 PSR 248188Â Â Â Â Â Â Â Â Â Â Â Â Â Â Â Â Â Â 63.00Â Â Â Â Â Â Â Â Â Â Â Â Â Â Â Â 48.00Â Â Â Â Â Â Â Â Â Â Â Â Â Â Â Â Â Â 7.50Â Â Â Â Â Â Â Â Â Â Â Â Â Â Â Â Â Â 3.30Â Â Â Â Â Â Â Â Â Â Â Â Â Â Â Â Â Â 2.10Â Â Â Â Â Â Â Â Â Â Â Â Â Â Â Â Â Â 6.00 PSR 248196Â Â Â Â Â Â Â Â Â Â Â Â Â Â Â Â Â Â 63.00Â Â Â Â Â Â Â Â Â Â Â Â Â Â Â Â 50.00Â Â Â Â Â Â Â Â Â Â Â Â Â Â Â Â Â Â 6.50Â Â Â Â Â Â Â Â Â Â Â Â Â Â Â Â Â Â 3.30Â Â Â Â Â Â Â Â Â Â Â Â Â Â Â Â Â Â 2.10Â Â Â Â Â Â Â Â Â Â Â Â Â Â Â Â Â Â 6.40 PSR 275196Â Â Â Â Â Â Â Â Â Â Â Â Â Â Â Â Â Â 70.00Â Â Â Â Â Â Â Â Â Â Â Â Â Â Â Â 50.00Â Â Â Â Â Â Â Â Â Â Â Â Â Â Â Â 10.00Â Â Â Â Â Â Â Â Â Â Â Â Â Â Â Â Â Â 3.30Â Â Â Â Â Â Â Â Â Â Â Â Â Â Â Â Â Â 2.10Â Â Â Â Â Â Â Â Â Â Â Â Â Â Â Â Â Â 6.40 PSR 314236Â Â Â Â Â Â Â Â Â Â Â Â Â Â Â Â Â Â 80.00Â Â Â Â Â Â Â Â Â Â Â Â Â Â Â Â 60.00Â Â Â Â Â Â Â Â Â Â Â Â Â Â Â Â 10.00Â Â Â Â Â Â Â Â Â Â Â Â Â Â Â Â Â Â 3.30Â Â Â Â Â Â Â Â Â Â Â Â Â Â Â Â Â Â 2.10Â Â Â Â Â Â Â Â Â Â Â Â Â Â Â Â Â Â 6.40 PSR 354275Â Â Â Â Â Â Â Â Â Â Â Â Â Â Â Â Â Â Â 90.00Â Â Â Â Â Â Â Â Â Â Â Â Â Â Â Â 70.00Â Â Â Â Â Â Â Â Â Â Â Â Â Â Â Â 10.00Â Â Â Â Â Â Â Â Â Â Â Â Â Â Â Â Â Â 3.30Â Â Â Â Â Â Â Â Â Â Â Â Â Â Â Â Â Â 2.10Â Â Â Â Â Â Â Â Â Â Â Â Â Â Â Â Â Â 6.40 PSR 393314Â Â Â Â Â Â Â Â Â Â Â Â Â Â Â Â Â 100.00Â Â Â Â Â Â Â Â Â Â Â Â Â Â Â Â 80.00Â Â Â Â Â Â Â Â Â Â Â Â Â Â Â Â 10.00Â Â Â Â Â Â Â Â Â Â Â Â Â Â Â Â Â Â 3.30Â Â Â Â Â Â Â Â Â Â Â Â Â Â Â Â Â Â 2.10Â Â Â Â Â Â Â Â Â Â Â Â Â Â Â Â Â Â 6.40 PSR 411334Â Â Â Â Â Â Â Â Â Â Â Â Â Â Â Â Â 104.50Â Â Â Â Â Â Â Â Â Â Â Â Â Â Â Â 85.00Â Â Â Â Â Â Â Â Â Â Â Â Â Â Â Â Â Â 9.75Â Â Â Â Â Â Â Â Â Â Â Â Â Â Â Â Â Â 3.30Â Â Â Â Â Â Â Â Â Â Â Â Â Â Â Â Â Â 2.20Â Â Â Â Â Â Â Â Â Â Â Â Â Â Â Â Â Â 6.30 PSR 433354Â Â Â Â Â Â Â Â Â Â Â Â Â Â Â Â Â 110.00Â Â Â Â Â Â Â Â Â Â Â Â Â Â Â Â 90.00Â Â Â Â Â Â Â Â Â Â Â Â Â Â Â Â 10.00Â Â Â Â Â Â Â Â Â Â Â Â Â Â Â Â Â Â 3.30Â Â Â Â Â Â Â Â Â Â Â Â Â Â Â Â Â Â 2.10Â Â Â Â Â Â Â Â Â Â Â Â Â Â Â Â Â Â 6.40 |
| Part Number | Refer to seal section ØD1                               Ød1 |
Nominal S |
+0.005 -0.000 L1 |
+0.000 -0.005 T |
+0.005 -0.005 L2 |
|||||
| PSR 112062 PSR 141087 PSR 150100 PSR 162100 PSR 162112 PSR 175125 PSR 178116 PSR 200137 PSR 212150 PSR 225162 PSR 237175 PSR 250187 PSR 262200 PSR 275200 PSR 275212 PSR 300225 PSR 312250 PSR 325250 PSR 325262 PSR 337275 PSR 350275 PSR 350287 PSR 362300 PSR 387312/1 PSR 400325 PSR 400325/1 PSR 412337 PSR 412350 PSR 450375 PSR 475375 PSR 475400/1 PSR 500400 PSR 575500/1 PSR 675600/1 PSR 875800/1 |
1.125 1.417 1.500 1.625 1.625 1.750 1.781 2.000 2.125 2.250 2.375 2.500 2.625 2.750 2.750 3.000 3.125 3.250 3.250 3.375 3.500 3.500 3.625 3.875 4.000 4.000 4.125 4.125 4.500 4.750 4.750 5.000 5.750 6.750 8.750 |
0.625 0.875 1.000 1.000 1.125 1.250 1.160 1.375 1.500 1.625 1.750 1.875 2.000 2.000 2.125 2.250 2.500 2.500 2.625 2.750 2.750 2.875 3.000 3.125 3.250 3.250 3.375 3.500 3.750 3.750 4.000 4.000 5.000 6.000 8.000 |
0.250 0.270 0.250 0.312 0.250 0.250 0.312 0.312 0.312 0.312 0.312 0.312 0.312 0.375 0.312 0.375 0.312 0.375 0.312 0.312 0.375 0.312 0.312 0.375 0.375 0.375 0.375 0.312 0.375 0.500 0.375 0.500 0.375 0.375 0.375 |
0.098 0.105 0.130 0.130 0.130 0.130 0.130 0.130 0.130 0.130 0.130 0.130 0.130 0.130 0.130 0.130 0.130 0.130 0.130 0.130 0.130 0.130 0.130 0.190 0.130 0.190 0.130 0.130 0.130 0.145 0.190 0.145 0.190 0.190 0.190 |
0.082 0.082 0.082 0.082 0.082 0.082 0.082 0.082 0.082 0.082 0.082 0.082 0.082 0.082 0.082 0.082 0.082 0.082 0.082 0.082 0.082 0.082 0.082 0.110 0.082 0.082 0.082 0.082 0.082 0.082 0.110 0.082 0.110 0.110 0.110 |
0.187 0.195 0.250 0.250 0.250 0.250 0.250 0.250 0.250 0.250 0.250 0.250 0.250 0.250 0.250 0.250 0.250 0.250 0.250 0.250 0.250 0.250 0.250 0.312 0.250 0.275 0.250 0.250 0.250 0.281 0.312 0.281 0.312 0.312 0.312 |
||||



Beoordelingen
Er zijn nog geen beoordelingen.