TURCON GLYD RING T

Get a quote

TURCON GLYD RING T

Description

Turcon Glyd Ring T is a further technical development of the Turcon Glyd Ring seal which has been successfully used for decades. It is fully interchangeable with the earlier Glyd Ring seals in all new applications. Glyd Ring T meets all the market demands for a function-specific seal solution, observing economic and ecological aspects.

The benefits of the patented seal concept are provided by the innovative functional principle of the trapezoidal profile cross-section.

* Patent-No.:
DE 41 40833 C3
EP 0 582 593
Japan 2 799 367
USA 5,433,452

Turcon Glyd Ring T figuur 59

Advantages

The benefits offered to date by the Glyd Ring are still
retained in full, and are now complemented by a number
of further important advantages:

– Very good static leak-tightness
– Increased clearance possible (approx. +50%), depending on the operating conditions
– Low friction, no stick-slip effect
– Simple groove design
– Installation grooves to ISO 7425/2
– Available for all rod diameters up to 2.600 mm.

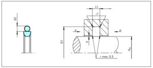
Both lateral profile flanks are inclined so that the seal profile tapers towards the seal surface. The profile can thus retain the robust and compact form typical of piston seals without losing any of the flexibility required to achieve a pressure-related maximum compression

The edge angle created by the special Glyd Ring T cross-sectional form permits an additional degree of freedom and enables a slight tilting movement of the seal. Maximum compression is thus always shifted towards the area of the seal edge directly exposed to the pressure. On the low-pressure edge of the seal, on the other hand, the Glyd Ring T exhibits only zones with neutral strains without compressive or shearing loads, thus effectively reducing the danger of gap extrusion. The resulting benefits for the user can be seen in the following list.

Application Examples

The Turcon Glyd Ring T is the recommended sealing element for double acting inside sealing seal for hydraulic components such as:

  • Injection moulding machines
  • Machine tools
  • Presses
  • Handling machinery
  • Agriculture
  • Valves.

It is particularly recommended for heavy duty and large diameter applications.

Technical Data

Operating pressure: Up to 80 MPa
Speed: Up to 15 m/s
Temperature: -45°C to +200°C (depending on O-Ring material)

Media: Mineral oil-based hydraulic fluids, flame retardant hydraulic fluids, environmentally safe hydraulic fluids (bio-oils), water, air and others, depending on the O-Ring material (see Table XLI)

Clearance: The maximum permissible radial clearance smax is shown in Table XLII as a function of the operating pressure and functional diameter.

Important Note:

The above data are maximum values and cannot be used at the same time. e.g. the maximum operating speed depends on material type, pressure, temperature and gap value.

Materials

For hydraulic components with reciprocating movement in mineral oils containing zinc or medium with good lubricating performance.

Turcon Seal: Turcon T46

Energiser: O-Ring NBR 70 shore A or FKM 70 Shore A depending on the temperature

Set reference: T46N or T46V

Non-lubricating fluids or pneumatic applications require self-lubricating sealing materials. Therefore we recommend:

Turcon Seal: Turcon T40

Energiser: O-Ring NBR 70 Shore A or FKM 70
Shore A depending on the temperature

Set reference: T40N or T40V

If rougher surface finish must be sealed, we recommend:

Zurcon Seal: Zurcon Z51
Energiser: O-Ring NBR 70 Shore A
Set reference: Z51N

 

Material, Applications, Properties Code O-Ring Material Code O-Ring  Operating Temp.*
°C
Mating Surface Material MPa
max.
Turcon T46
Standard material for hydraulics, high compressive strength, good sliding and wear properties, good extrusion resistance, BAM tested.
Bronze filled
Colour: Greyish to dark brown
T46 NBR – 70 Shore A N -30 to +100 Steel, hardened Steel, chromeplated Cast iron 60
NBR – Low temp.
70 Shore A
T -45 to +80
FKM – 70 Shore A V -10 to +200
Turcon T40
For all lubricating and non-lubricating hydraulic fluids, hydraulic oils without zinc, water hydraulic, soft mating surfaces, good extrusion resistance.
High carbon fibre filled Colour: Grey
T40 NBR – 70 Shore A N -30 to +100 Steel
Steel, chromeplated Cast iron Stainless steel Aluminium Bronze
25
NBR – Low temp.
70 Shore A
T -45 to +80
FKM – 70 Shore A V -10 to +200
EPDM – 70 Shore A E** -45 to +145
Zurcon Z51***
For lubricating hydraulic fluids, high abrasion resistance, high extrusion resistance, limited chemical resistance. Cast polyurethane
Colour: Yellow to light-brown
Z51 NBR – 70 Shore A N -30 to +100 Steel
Steel, chromeplated Cast iron Ceramic coating Stainless steel
80
NBR – Low temp.
70 Shore A
T -45 to +80

 

Turcon Glyd Ring T figuur 60

Turcon Glyd Ring T tabel

Ordering Example

Turcon Glyd Ring T, complete with O-Ring, standard
series, Series RT03 (from Table).
Rod diameter: dN = 80.0 mm
Part No.: RT0300800 (from Table)

Select the material from Table. The corresponding code numbers are appended to the Part No. (from Table). Together these form the order number. The order number for all intermediate sizes not shown in Table can be determined following the example opposite.

Turcon Glyd Ring T Order

 

Rod Diame- ter
Groove Diame- ter Groove Width Part No. O-Ring Sizes
dN f8/h9 D1 H9 L1 +0.2
100,0 110,7 4,2 RG4501000 104.37 x 3.53
100,0 115,1 6,3 RG4301000 107.32 x 5.33
101,6 112,3 4,2 RG4501016 107.54 x 3.53
101,6 116,7 6,3 RG4301016 107.32 x 5.33
104,7 119,8 6,3 RG4301047 110.49 x 5.33
105,0 115,7 4,2 RG4501050 110.72 x 3.53
105,0 120,1 6,3 RG4301050 110.49 x 5.33
110,0 120,7 4,2 RG4501100 113.89 x 3.53
110,0 125,1 6,3 RG4301100 116.84 x 5.33
110,0 130,5 8,1 RG4101100 120.02 x 7.00
112,0 127,1 6,3 RG4301120 116.84 x 5.33
115,0 125,7 4,2 RG4501150 120.24 x 3.53
115,0 130,1 6,3 RG4301150 120.02 x 5.33
118,0 133,1 6,3 RG4301180 123.19 x 5.33
120,0 130,7 4,2 RG4501200 123.42 x 3.53
120,0 135,1 6,3 RG4301200 126.37 x 5.33
125,0 135,7 4,2 RG4501250 129.77 x 3.53
125,0 140,1 6,3 RG4301250 129.54 x 5.33
129,0 139,7 4,2 RG4501290 132.94 x 3.53
130,0 140,7 4,2 RG4501300 136.12 x 3.53
130,0 145,1 6,3 RG4301300 135.89 x 5.33
135,0 145,7 4,2 RG4501350 139.29 x 3.53
135,0 150,1 6,3 RG4301350 142.24 x 5.33
140,0 150,7 4,2 RG4501400 145.64 x 3.53
140,0 155,1 6,3 RG4301400 145.42 x 5.33
145,0 155,7 4,2 RG4501450 148.82 x 3.53
145,0 160,1 6,3 RG4301450 151.77 x 5.33
150,0 165,1 6,3 RG4301500 158.12 x 5.33
160,0 175,1 6,3 RG4301600 164.47 x 5.33
160,0 180,5 8,1 RG4101600 170.82 x 7.00
165,0 180,1 6,3 RG4301650 170.82 x 5.33
170,0 180,7 4,2 RG4501700 177.39 x 3.53
170,0 185,1 6,3 RG4301700 177.17 x 5.33
175,0 190,1 6,3 RG4301750 183.52 x 5.33
180,0 190,7 4,2 RG4501800 183.74 x 3.53
180,0 195,1 6,3 RG4301800 183.17 x 5.33
180,0 200,5 8,1 RG4101800 189.87 x 7.00
190,0 200,7 4,2 RG4501900 196.44 x 3.53
190,0 205,1 6,3 RG4301900 196.22 x 5.33
200,0 215,1 6,3 RG4502000 208.92 x 5.33
200,0 220,5 8,1 RG4302000 215.27 x 7.00
205,0 220,1 6,3 RG4502050 208.92 x 5.33
210,0 225,1 6,3 RG4502100 215.27 x 5.33
220,0 235,1 6,3 RG4502200 227.97 x 5.33
220,0 240,5 8,1 RG4302200 227.97 x 7.00
230,0 245,1 6,3 RG4502300 234.32 x 5.33
230,0 250,5 8,1 RG4302300 240.67 x 7.00
240,0 255,1 6,3 RG4502400 247.02 x 5.33
240,0 260,5 8,1 RG4302400 253.37 x 7.00
250,0 270,5 8,1 RG4302500 266.07 x 7.00
260,0 284,0 8,1 RG4302600 266.07 x 7.00
270,0 290,5 8,1 RG4502700 278.77 x 7.00
270,0 294,0 8,1 RG4302700 278.77 x 7.00
275,0 299,0 8,1 RG4302750 291.47 x 7.00
280,0 300,5 8,1 RG4502800 291.47 x 7.00
280,0 304,0 8,1 RG4302800 291.47 x 7.00
290,0 310,5 8,1 RG4502900 304.39 x 7.00
290,0 314,0 8,1 RG4302900 304.39 x 7.00
300,0 324,0 8,1 RG4303000 316.87 x 7.00
310,0 330,5 8,1 RG4503100 316.87 x 7.00
310,0 334,0 8,1 RG4303100 316.87 x 7.00
320,0 344,0 8,1 RG4303200 329.57 x 7.00
330,0 354,0 8,1 RG4303300 342.47 x 7.00
340,0 364,0 8,1 RG4303400 354.97 x 7.00
350,0 370,5 8,1 RG4503500 354.97 x 7.00
350,0 374,0 8,1 RG4303500 367.67 x 7.00
360,0 384,0 8,1 RG4303600 367.67 x 7.00
370,0 390,5 8,1 RG4503700 380.37 x 7.00
370,0 394,0 8,1 RG4303700 380.37 x 7.00
380,0 404,0 8,1 RG4303800 393.07 x 7.00
390,0 414,0 8,1 RG4303900 405.26 x 7.00
400,0 420,5 8,1 RG4504000 417.96 x 7.00
400,0 424,0 8,1 RG4304000 417.96 x 7.00
410,0 434,0 8,1 RG4304100 417.96 x 7.00
420,0 444,0 8,1 RG4304200 430.66 x 7.00
430,0 454,0 8,1 RG4304300 443.36 x 7.00
440,0 464,0 8,1 RG4304400 456.06 x 7.00
450,0 474,0 8,1 RG4304500 468.76 x 7.00
460,0 484,0 8,1 RG4304600 468.76 x 7.00
470,0 494,0 8,1 RG4304700 481.00 x 7.00
480,0 504,0 8,1 RG4304800 494.16 x 7.00
490,0 514,0 8,1 RG4304900 506.86 x 7.00
500,0 524,0 8,1 RG4305000 506.86 x 7.00
510,0 534,0 8,1 RG4305100 532.26 x 7.00
520,0 544,0 8,1 RG4305200 532.26 x 7.00
530,0 554,0 8,1 RG4305300 557.66 x 7.00
540,0 564,0 8,1 RG4305400 557.66 x 7.00
550,0 574,0 8,1 RG4305500 557.66 x 7.00
560,0 584,0
8,1
RG4305600 582.68 x 7.00
570,0 594,0 8,1 RG4305700 582.68 x 7.00
580,0 604,0 8,1 RG4305800 608.08 x 7.00
590,0 614,0 8,1 RG4305900 608.08 x 7.00
600,0 624,0 8,1 RG4306000 608.08 x 7.00
610,0 634,0 8,1 RG4306100 633.48 x 7.00
620,0 644,0 8,1 RG4306200 633.48 x 7.00
630,0 654,0 8,1 RG4306300 658.88 x 7.00
640,0 664,0 8,1 RG4306400 658.88 x 7.00
650,0 677,3 9,5 RG4306500 663 x 8.4
660,0 687,3 9,5 RG4306600 673 x 8.4
670,0 697,3 9,5 RG4306700 683 x 8.4
680,0 707,3 9,5 RG4306800 693 x 8.4
688,0 715,3 9,5 RG4306880 701 x 8.4
690,0 717,3 9,5 RG4306900 703 x 8.4
700,0 724,0 8,1 RG4507000 712 x 7.0
710,0 737,3 9,5 RG4307100 723 x 8.4
740,0 767,3 9,5 RG4307400 753 x 8.4
760,0 784,0 8,1 RG4507600 772 x 7.00
770,0 797,3 9,5 RG4307700 783 x 8.4
800,0 827,3 9,5 RG4308000 813 x 8.4
850,0 877,3 9,5 RG4308500 863 x 8.4
870,0 897,3 9,5 RG4308700 883 x 8.4
900,0 927,3 9,5 RG4309000 913 x 8.4
910,0 937,3 9,5 RG4309100 923 x 8.4
950,0 977,3 9,5 RG4309500 963 x 8.4
960,0 987,3 9,5 RG4309600 973 x 8.4
1000,0 1027,3 9,5 RG45X1000 1013 x 8.4
1000,0 1038,0 13,8 RG43X1000 1016 x 12
1050,0 1077,3 9,5 RG45X1050 1063 x 8.4
1050,0 1088,0 13,8 RG43X1050 1066 x 12
1100,0 1138,0 13,8 RG43X1100 1116 x 12
1160,0 1187,3 9,5 RG45X1160 1173 x 8.4
1200,0 1227,3 9,5 RG45X1200 1213 x 8.4
1200,0 1238,0 13,8 RG43X1200 1216 x 12
1300,0 1327,3 9,5 RG45X1300 1313 x 8.4
1300,0 1338,0 13,8 RG43X1300 1316 x 12
1500,0 1527,3 9,5 RG45X1500 1513 x 8.4
1500,0 1538,0 13,8 RG43X1500 1516 x 12
1600,0 1638,0 13,8 RG43X1600 1616 x 12
2000,0 2038,0 13,8 RG43X2000 2016 x 12
2600,0 2638,0 13,8 RG43X2600 2616 x 12

 

 

 

 

 

Merk

Busak Shamban

TESTTESTTEST

Beoordelingen

Er zijn nog geen beoordelingen.

Wees de eerste om “TURCON GLYD RING T” te beoordelen

WE’D LOVE TO HELP

Get a qoute