TURCON STEPSEAL 2K
Description
Rod seals must exhibit no dynamic leakage to the atmosphere side under all operating conditions and must be statically completely leak tight when the machine is at a standstill. Furthermore, they should achieve a high degree of mechanical efficiency through low friction and be easy to install in small grooves. Costs and service life must meet the high expectations of the operator.
The rod seal Turcon Stepseal 2K comes closest to satisfying these ideal demands. Since the first Stepseal was patented and introduced to the market in 1972, Busak+Shamban has maintained the series as technically outstanding seal elements through continuous innovative further development of the design and of the TurconR and Zurcon materials. Turcon Stepseal 2K continues the tradition for improvement.
With the introduction of StepsealR it was possible for the first time to arrange several seals, one behind the other, thus allowing statically and dynamically tight
double-acting tandem seal configurations to be created, without any disturbing build-up of intermediate pressure. The single-acting seal element is made of high-grade Turcon or Zurcon materials with outstanding sliding and wear resistance properties. It is installed according to ISO 7425/2 and Busak+Shamban standard grooves, using an O-Ring as energizing element.


Method of operation The sealing performance of Turcon Stepseal 2K results from the hydrodynamic properties of the seal. The classic Stepseal seal edge creates a steep contact pressure gradient on the high pressure side and a shallow contact pressure gradient on the low pressure side. The controlled pressure gradients minimizes fluid adherence to the piston rod during the extending stroke, and enables residual fluid film on the rod to be returned into the system on the return stroke. This is united with new patented and patent applied design features which further improve the performance of Stepseal 2K under severe service conditions.
The O-Ring relief chamfer reduces pressure loading on the seal, whereby contact with the rod is optimised and sealing performance is improved at high service pressures. The special high-lift rear chamfer combines a smooth downstream sealing face with the ability to meet large radial clearances and hardware tolerances. Turcon Stepseal 2K gives high static and dynamic sealing performance, and the build-up of intermediate pressure often found with tandem seal configurations (see Figure 16) is efficiently suppressed.

Advantages
– High static and dynamic sealing effect
– High extrusion resistance, meets high hardware clearances
– Low friction, high efficiency
– Stick-slip free starting, no sticking
– High abrasion resistance, high operational reliability
– Wide range of application temperatures and high resistance to chemicals, depending on the choice of O-Ring material
– Simple installation without seal edge deformation
– Available for all diameters up to 2.600 mm rod dia.
Technical data
Operating pressure: up to 80 MPa
Speed: up to 15 m/s with reciprocating movements, frequency up to 5 Hz
Temperature: -45°C to +200°C (depending on O-Ring material)
Media: Mineral oil-based hydraulic fluids, flame retardant hydraulic fluids, environmentally safe hydraulic fluids (bio-oils), water and others, depending on the O-Ring material (see Table X)
Clearance: The maximum permissible radial clearance Smax is shown in Table XI, as a function of the operating pressure and functional diameter.
Important Note:
The above data are maximum values and cannot be used at the same time. e.g. the maximum operating speed depends on material type, pressure, temperature and gap value.
Materials
The following material combination has proven effective for applications with hydraulic oils containing zinc:
Turcon Stepseal 2K: Turcon T46
O-Ring: NBR, 70 Shore A N
FKM, 70 Shore A V
Set code: T46N/T46V For specific applications, other material combinations as listed in Table X, may also be used.
Series
Different cross-section sizes are recommended as a function of the seal diameters. These are the criteria for these recommendations.
Table XI, shows the relationship between the series number according to the seal diameter range and the different application class sizes. These application classes are:
Standard application: General applications in which no exceptional operating conditions exist.
Light application: Applications with demands for reduced friction or for smaller grooves.
Heavy-duty application: For exceptional operating loads such as high pressures, pressure peaks, etc.

Application Examples
- Mobile hydraulic
- Standard cylinders
- Machine tools
- Injection moulding machines
- Presses
- Automobile industry
- Hydraulic hammers
- Servo hydraulics
Redundant Sealing System
In many applications, secondary seal systems are demanded. Figure 16 shows such a tandem configuration with the StepsealR 2K.

In this configuration it must be noted that a sufficiently large space is formed between the seals to take the hydraulic fluid, as shown in the figure.
Depending on the application and the operating conditions, the combination of different materials offers a further improvement in the sealing efficiency and the service life of the system, e.g. in hydraulic cylinders subject to high loads and under rough operating conditions, the primary seal should be made of Turcon and the secondary seal of Zurcon.
Stepseal 2K elements should always be used in combination with a double-acting scraper to provide an optimum sealing effect.
The scraper Turcon Excluder 2, Turcon Excluder 5, Zurcon Excluder 500, DA17, DA22 and DA24 are well suited to such applications. For further details, please refer to our ”Scrapers” catalogue.
| Material, Applications, Properties | Code | O-Ring Material | Code | O-Ring Operating Temp.* °C |
Mating Surface Material | MPa max. |
| Turcon T46 Standard material for hydraulics, high compressive strength, good sliding and wear properties, good extrusion resistance, BAM tested. Bronze filled Colour: Greyish to dark brown |
T46 | NBR-70 Shore A | N | -30 to +100 | Steel, hardened Steel, chromeplated Cast iron | 70 |
| NBR-Low temp. 70 Shore A | T | -45 to +80 | ||||
| FKM-70 Shore A | V | -10 to +200 | ||||
| Turcon T08 Very high compressive strength, very good extrusion resistance. High bronze filled Colour: Light to dark brown |
T08 | NBR-70 Shore A | N | -30 to +100 | Steel, hardened Steel, chromeplated Cast iron | 80 |
| NBR-Low temp. 70 Shore A | T | -45 to +80 | ||||
| FKM-70 Shore A | V | -10 to +200 | ||||
| Turcon T40 For all lubricating and non-lubricating hydraulic fluids, water hydraulic, soft mating surfaces. Carbon fibre filled Colour: Grey |
T40 | NBR-70 Shore A | N | -30 to +100 | Steel Steel, chromeplated Cast iron Stainless steel Aluminium Bronze Alloys |
30 |
| NBR-Low temp. 70 Shore A | T | -45 to +80 | ||||
| FKM-70 Shore A | V |
|
||||
| EPDM-70 Shore A | E** | -45 to +145 | ||||
| Turcon T29 For all lubricating and non-lubricating hydraulic fluids, hydraulic oils without zinc, soft mating surfaces, good extrusion resistance. High carbon fibre filled Colour: Grey |
T29 | NBR-70 Shore A | N | -10 to +200 | Steel Steel, chromeplated Cast iron Stainless steel Aluminium Bronze |
70 |
| NBR-Low temp. 70 Shore A | T | -45 to +80 | ||||
| FKM-70 Shore A | V | -10 to +200 | ||||
| EPDM-70 Shore A | E** | -45 to +145 | ||||
| Turcon T05 For all lubricating hydraulic fluids, hard mating surfaces, very good slide properties, low friction. Colour: Turquoise |
T05 | NBR-70 Shore A | N | -30 to +100 | Steel, hardened Steel, chromeplated | 25 |
| NBR-Low temp. 70 Shore A | T | -45 to +80 | ||||
| FKM-70 Shore A | V | -10 to +200 | ||||
| Turcon T42 For all lubricating and non-lubricating hydraulic fluids, good chemical resistance, good dielectric properties. Glass fibre filled + MoS2 Colour: Grey to blue |
T42 | NBR-70 Shore A | N | -30 to +100 | Steel, hardened Steel, chromeplated Cast iron | 40 |
| NBR-Low temp. 70 Shore A | T | -45 to +80 | ||||
| FKM-70 Shore A | V | -10 to +200 | ||||
| Turcon T10 For oil hydraulic and pneumatic, for all lubricating and non- lubricating fluids, high extrusion resistance, good chemical resistance, BAM tested. Carbon, graphite filled Colour: Black |
T10 | NBR-70 Shore A | N | -30 to +100 | Steel Steel, chromeplated Stainless steel |
70 |
| NBR-Low temp. 70 Shore A | T | -45 to +80 | ||||
| FKM-70 Shore A | V | -10 to +200 | ||||
| EPDM-70 Shore A | E** | -45 to +145 | ||||
| Zurcon Z51*** For lubricating hydraulic fluids, high abrasion resistance, high extrusion resistance, limited chemical resistance. Cast polyurethane Colour: Yellow to light-brown |
Z51 | NBR-70 Shore A | N | -30 to +100 | Steel Steel, chromeplated Cast iron Ceramic coating Stainless steel |
80 |
| NBR-Low temp. 70 Shore A | T | -45 to +80 | ||||
| ZurconR Z80 For lubricating and non-lubricating hydraulic fluids, high abrasion resistance, very good chemical resistance, limited temp. resistance. Ultra high molecular weight polyethylen Colour: White to off-white |
Z80 | NBR-70 Shore A | N | -30 to +80 | Steel Steel, chromeplated Stainless steel Aluminium Bronze Ceramic coating |
45 |
| NBR-Low temp. 70 Shore A | T | -45 to +80 |


Ordering example
Turcon Stepseal 2K complete with O-Ring, standard
application, Series RSK4 (from Table XI).
Rod diameter: dN = 250.0 mm
Part No.: RSK402500 (from Table XII)
Select the material from Table X. The corresponding code numbers are appended to the Part No. (from Table XII). Together these form the order number. The order number for all intermediate sizes not shown in Table XII can be determined following the example opposite.
For diameters ≥ 1000.0 mm multiply only by factor 1.
Example: RSK6 for diameter 1200.0 mm.
Order no.: RSK6X1200 – T46N.

| Rod | Groove Diame- ter | Groove Width | Part No. | O-Ring Size | |
| dN f8/h9 | D1 H9 | L1 +0.2 | |||
| 3,0 | 7,9 | 2,2 | RSK000030 | 4.47 x 1.78 | |
| 4,0 | 8,9 | 2,2 | RSK000040 | 5.6 x 1.8 | |
| 5,0 | 9,9 | 2,2 | RSK000050 | 6.7 x 1.8 | |
| 6,0 | 10,9 | 2,2 | RSK000060 | 7.65 x 1.78 | |
| 7,0 | 11,9 | 2,2 | RSK000070 | 8.75 x 1.8 | |
| 8,0 | 12,9 | 2,2 | RSK000080 | 9.5 x 1.8 | |
| 8,0 | 15,3 | 3,2 | RSK100080 | 10.77 x 2.62 | |
| 9,0 | 13,9 | 2,2 | RSK000090 | 10.82 x 1.78 | |
| 9,0 | 16,3 | 3,2 | RSK100090 | 10.77 x 2.62 | |
| 10,0 | 14,9 | 2,2 | RSK000100 | 11.8 x 1.8 | |
| 10,0 | 17,3 | 3,2 | RSK100100 | 12.37 x 2.62 | |
| 12,0 | 16,9 | 2,2 | RSK000120 | 14.00 x 1.78 | |
| 12,0 | 19,3 | 3,2 | RSK100120 | 13.94 x 2.62 | |
| 12,7 | 17,6 | 2,2 | RSK000127 | 14.00 x 1.78 | |
| 12,7 | 20,0 | 3,2 | RSK100127 | 15.54 x 2.62 | |
| 14,0 | 18,9 | 2,2 | RSK000140 | 15.60 x 1.78 | |
| 14,0 | 21,3 | 3,2 | RSK100140 | 17.12 x 2.62 | |
| 15,0 | 19,9 | 2,2 | RSK000150 | 17.17 x 1.78 | |
| 15,0 | 22,3 | 3,2 | RSK100150 | 17.12 x 2.62 | |
| 16,0 | 20,9 | 2,2 | RSK000160 | 17.17 x 1.78 | |
| 16,0 | 23,3 | 3,2 | RSK100160 | 18.72 x 2.62 | |
| 17,0 | 21,9 | 2,2 | RSK000170 | 18.77 x 1.78 | |
| 18,0 | 22,9 | 2,2 | RSK000180 | 18.77 x 1.78 | |
| 18,0 | 25,3 | 3,2 | RSK100180 | 20.29 x 2.62 | |
| 19,0 | 29,7 | 4,2 | RSK200190 | 23.40 x 3.53 | |
| 20,0 | 27,3 | 3,2 | RSK100200 | 21.89 x 2.62 | |
| 20,0 | 30,7 | 4,2 | RSK200200 | 23.40 x 3.53 | |
| 22,0 | 29,3 | 3,2 | RSK100220 | 25.07 x 2.62 | |
| 22,0 | 32,7 | 4,2 | RSK200220 | 26.58 x 3.53 | |
| 24,0 | 31,3 | 3,2 | RSK100240 | 26.64 x 2.62 | |
| 25,0 | 32,3 | 3,2 | RSK100250 | 28.24 x 2.62 | |
| 25,0 | 35,7 | 4,2 | RSK200250 | 29.75 x 3.53 | |
| 25,4 | 32,7 | 3,2 | RSK100254 | 28.24 x 2.62 | |
| 25,4 | 36,1 | 4,2 | RSK200254 | 29.75 x 3.53 | |
| 26,0 | 33,3 | 3,2 | RSK100260 | 28.24 x 2.62 | |
| 26,0 | 36,7 | 4,2 | RSK200260 | 29.75 x 3.53 | |
| 28,0 | 35,3 | 3,2 | RSK100280 | 29.82 x 2.62 | |
| 28,0 | 38,7 | 4,2 | RSK200280 | 32.92 x 3.53 | |
| 28,575 | 35,875 | 3,2 | RSK100286 | 31.42 x 2.62 | |
| 30,0 | 37,3 | 3,2 | RSK100300 | 32.99 x 2.62 | |
| 30,0 | 40,7 | 4,2 | RSK200300 | 34.52 x 3.53 | |
| 32,0 | 39,3 | 3,2 | RSK100320 | 34.59 x 2.62 | |
| 32,0 | 42,7 | 4,2 | RSK200320 | 36.09 x 3.53 | |
| 35,0 | 42,3 | 3,2 | RSK100350 | 37.77 x 2.62 | |
| 35,0 | 45,7 | 4,2 | RSK200350 | 37.69 x 3.53 | |
| Rod | Groove Diame- ter | Groove Width | Part No. | O-Ring Size | |
| dN f8/h9 | D1 H9 | L1 +0.2 | |||
| 36,0 | 43,3 | 3,2 | RSK100360 | 39.34 x 2.62 | |
| 36,0 | 46,7 | 4,2 | RSK200360 | 40.87 x 3.53 | |
| 37,0 | 44,3 | 3,2 | RSK100370 | 39.34 2.62 | |
| 37,0 | 47,7 | 4,2 | RSK200370 | 40.87 x 3.53 | |
| 38,0 | 48,7 | 4,2 | RSK200380 | 40.87 x 3.53 | |
| 38,0 | 53,1 | 6,3 | RSK300380 | 43.82 x 5.33 | |
| 40,0 | 50,7 | 4,2 | RSK200400 | 44.04 x 3.53 | |
| 40,0 | 55,1 | 6,3 | RSK300400 | 43.82 x 5.33 | |
| 42,0 | 52,7 | 4,2 | RSK200420 | 47.22 x 3.53 | |
| 42,0 | 57,1 | 6,3 | RSK300420 | 46.99 x 5.33 | |
| 43,0 | 53,7 | 4,2 | RSK200430 | 47.22 x 3.53 | |
| 44,45 | 59,55 | 6,3 | RSK300444 | 50.17 x 5.33 | |
| 45,0 | 55,7 | 4,2 | RSK200450 | 50.39 x 3.53 | |
| 45,0 | 60,1 | 6,3 | RSK300450 | 50.17 x 5.33 | |
| 48,0 | 58,7 | 4,2 | RSK200480 | 51.5 x 3.55 | |
| 48,0 | 63,1 | 6,3 | RSK300480 | 53.34 x 5.33 | |
| 50,0 | 60,7 | 4,2 | RSK200500 | 53.57 x 3.53 | |
| 50,0 | 65,1 | 6,3 | RSK300500 | 56.52 x 5.33 | |
| 50,8 | 61,5 | 4,2 | RSK200508 | 53.57 x 3.53 | |
| 50,8 | 65,9 | 6,3 | RSK300508 | 56.52 x 5.33 | |
| 52,0 | 62,7 | 4,2 | RSK200520 | 56.74 x 3.53 | |
| 52,0 | 67,1 | 6,3 | RSK300520 | 56.52 x 5.33 | |
| 54,0 | 69,1 | 6,3 | RSK300540 | 59.69 x 5.33 | |
| 55,0 | 65,7 | 4,2 | RSK200550 | 59.92 x 3.53 | |
| 55,0 | 70,1 | 6,3 | RSK300550 | 59.69 x 5.33 | |
| 56,0 | 66,7 | 4,2 | RSK200560 | 59.92 x 3.53 | |
| 56,0 | 71,1 | 6,3 | RSK300560 | 62.87 x 5.33 | |
| 56,0 | 76,5 | 8,1 | RSK400560 | 63 x 7.0 | |
| 57,0 | 72,1 | 6,3 | RSK300570 | 62.87 x 5.33 | |
| 59,0 | 69,7 | 4,2 | RSK200590 | 63.09 x 3.53 | |
| 60,0 | 70,7 | 4,2 | RSK200600 | 63.09 x 3.53 | |
| 60,0 | 75,1 | 6,3 | RSK300600 | 66.04 x 5.33 | |
| 63,0 | 73,7 | 4,2 | RSK200630 | 66.27 x 3.53 | |
| 63,0 | 78,1 | 6,3 | RSK300630 | 69.22 x 5.33 | |
| 63,5 | 78,6 | 6,3 | RSK300635 | 69.22 x 5.33 | |
| 65,0 | 75,7 | 4,2 | RSK200650 | 69.44 x 3.53 | |
| 65,0 | 80,1 | 6,3 | RSK300650 | 69.22 x 5.33 | |
| 67,0 | 77,7 | 4,2 | RSK200670 | 72.62 x 3.53 | |
| 69,0 | 84,1 | 6,3 | RSK300690 | 75.57 x 5.33 | |
| 70,0 | 80,7 | 4,2 | RSK200700 | 75.79 x 3.53 | |
| 70,0 | 85,1 | 6,3 | RSK300700 | 75.57 x 5.33 | |
| 70,0 | 90,5 | 8,1 | RSK400700 | 78 x 7.0 | |
| 72,0 | 82,7 | 4,2 | RSK200720 | 75.79 x 3.53 | |
| 73,0 | 88,1 |
|
RSK300730 | 78.74 x 5.33 | |
| 75,0 | 85,7 | 4,2 | RSK200750 | 78.97 x 3.53 |
| 75,0 | 90,1 | 6,3 | RSK300750 | 81.92 x 5.33 |
| 76,2 | 91,3 | 6,3 | RSK300762 | 81.92 x 5.33 |
| 78,0 | 93,1 | 6,3 | RSK300780 | 85.09 x 5.33 |
| 80,0 | 90,7 | 4,2 | RSK200800 | 85.32 x 3.53 |
| 80,0 | 95,1 | 6,3 | RSK300800 | 85.09 x 5.33 |
| 80,0 | 100,5 | 8,1 | RSK400800 | 88 x 7.0 |
| 82,5 | 97,6 | 6,3 | RSK300825 | 88.27 x 5.33 |
| 83,0 | 93,7 | 4,2 | RSK200830 | 88.49 x 3.53 |
| 85,0 | 95,7 | 4,2 | RSK200850 | 88.49 x 3.53 |
| 85,0 | 100,1 | 6,3 | RSK300850 | 91.44 x 5.33 |
| 85,0 | 105,5 | 8,1 | RSK400850 | 93 x 7.0 |
| 89,0 | 104,1 | 6,3 | RSK300890 | 94.62 x 5.33 |
| 90,0 | 100,7 | 4,2 | RSK200900 | 94.84 x 3.53 |
| 90,0 | 105,1 | 6,3 | RSK300900 | 94.62 x 5.33 |
| 90,0 | 110,5 | 8,1 | RSK400900 | 98 x 7.0 |
| 92,0 | 102,7 | 4,2 | RSK200920 | 98.02 x 3.53 |
| 92,0 | 107,1 | 6,3 | RSK300920 | 97.79 x 5.33 |
| 95,0 | 105,7 | 4,2 | RSK200950 | 101.19 x 3.53 |
| 95,0 | 110,1 | 6,3 | RSK300950 | 100.97 x 5.33 |
| 100,0 | 110,7 | 4,2 | RSK201000 | 104.37 x 3.53 |
| 100,0 | 115,1 | 6,3 | RSK301000 | 107.32 x 5.33 |
| 100,0 | 120,5 | 8,1 | RSK401000 | 108 x 7.0 |
| 101,6 | 116,7 | 6,3 | RSK301016 | 107.32 x 5.33 |
| 104,7 | 119,8 | 6,3 | RSK301047 | 110.49 x 5.33 |
| 105,0 | 120,1 | 6,3 | RSK301050 | 110.49 x 5.33 |
| 105,0 | 125,5 | 8,1 | RSK401050 | 113.67 x 7.0 |
| 110,0 | 120,7 | 4,2 | RSK201100 | 113.89 x 3.53 |
| 110,0 | 125,1 | 6,3 | RSK301100 | 116.84 x 5.33 |
| 110,0 | 130,5 | 8,1 | RSK401100 | 116.84 x 7.0 |
| 115,0 | 130,1 | 6,3 | RSK301150 | 120.02 x 5.33 |
| 120,0 | 135,1 | 6,3 | RSK301200 | 126.37 x 5.33 |
| 120,0 | 145,5 | 8,1 | RSK401200 | 129.54 x 7.0 |
| 125,0 | 140,1 | 6,3 | RSK301250 | 129.54 x 5.33 |
| 125,0 | 145,5 | 8,1 | RSK401250 | 132.72 x 7.0 |
| 125,4 | 140,5 | 6,3 | RSK301254 | 132.72 x 5.33 |
| 127,0 | 142,1 | 6,3 | RSK301270 | 132.72 x 5.33 |
| 130,0 | 145,1 | 6,3 | RSK301300 | 135.89 x 5.33 |
| 130,0 | 150,5 | 8,1 | RSK401300 | 139.07 x 7.0 |
| 132,0 | 147,1 | 6,3 | RSK301320 | 139.07 x 5.33 |
| 135,0 | 145,7 | 4,2 | RSK201350 | 139.29 x 3.53 |
| 135,0 | 150,1 | 6,3 | RSK301350 | 142.24 x 5.33 |
| 137,0 | 152,1 | 6,3 | RSK301370 | 142.24 x 5.33 |
| 138,0 | 153,1 | 6,3 | RSK301380 | 142.24 x 5.33 |
| 140,0 | 150,7 | 4,2 | RSK201400 | 145.64 x 3.53 |
| 140,0 | 155,1 | 6,3 | RSK301400 | 145.42 x 5.33 |
| Rod | Groove Diame- ter | Groove Width | Part No. | O-Ring Size |
| dN f8/h9 | D1 H9 | L1 +0.2 | ||
| 140,0 | 160,5 | 8,1 | RSK401400 | 148.59 x 7.0 |
| 140,5 | 155,6 | 6,3 | RSK301405 | 145.42 x 5.33 |
| 145,0 | 160,1 | 6,3 | RSK301450 | 151.77 x 5.33 |
| 145,0 | 165,5 | 8,1 | RSK401450 | 151.77 x 7.0 |
| 150,0 | 165,1 | 6,3 | RSK301500 | 158.12 x 5.33 |
| 150,0 | 170,5 | 8,1 | RSK401700 | 158.12 x 7.0 |
| 153,0 | 168,1 | 6,3 | RSK301530 | 158.12 x 5.33 |
| 155,0 | 170,1 | 6,3 | RSK301550 | 158.12 x 5.33 |
| 160,0 | 175,1 | 6,3 | RSK301600 | 164.47 x 5.33 |
| 160,0 | 180,5 | 8,1 | RSK401600 | 170.82 x 7.0 |
| 165,0 | 180,1 | 6,3 | RSK301650 | 170.82 x 5.33 |
| 170,0 | 185,1 | 6,3 | RSK301700 | 177.17 x 5.33 |
| 170,0 | 190,5 | 8,1 | RSK401700 | 177.17 x 7.0 |
| 173,0 | 188,1 | 6,3 | RSK301730 | 177.17 x 5.33 |
| 175,0 | 190,1 | 6,3 | RSK301750 | 183.52 x 5.33 |
| 180,0 | 195,1 | 6,3 | RSK301800 | 183.52 x 5.33 |
| 180,0 | 200,5 | 8,1 | RSK401800 | 189.87 x 7.0 |
| 185,0 | 200,1 | 6,3 | RSK301850 | 189.87 x 5.33 |
| 185,0 | 205,5 | 8,1 | RSK401850 | 196.22 x 7.0 |
| 190,0 | 205,1 | 6,3 | RSK301900 | 196.22 x 5.33 |
| 190,0 | 210,5 | 8,1 | RSK401900 | 196.22 x 7.0 |
| 195,0 | 210,1 | 6,3 | RSK301950 | 202.57 x 5.33 |
| 200,0 | 215,1 | 6,3 | RSK302000 | 208.92 x 5.33 |
| 200,0 | 220,5 | 8,1 | RSK402000 | 215.27 x 7.0 |
| 205,0 | 225,5 | 8,1 | RSK402050 | 215.27 x 7.0 |
| 210,0 | 230,5 | 8,1 | RSK402100 | 215.27 x 7.0 |
| 211,0 | 231,5 | 8,1 | RSK402110 | 215.27 x 7.0 |
| 212,0 | 232,5 | 8,1 | RSK402120 | 227.97 x 7.0 |
| 215,0 | 235,5 | 8,1 | RSK402150 | 227.97 x 7.0 |
| 220,0 | 240,5 | 8,1 | RSK402200 | 227.97 x 7.0 |
| 225,0 | 245,5 | 8,1 | RSK402250 | 240.67 x 7.0 |
| 230,0 | 245,1 | 6,3 | RSK302300 | 234.32 x 5.33 |
| 230,0 | 250,5 | 8,1 | RSK402300 | 240.67 x 7.0 |
| 235,0 | 255,5 | 8,1 | RSK402350 | 240.67 x 7.0 |
| 240,0 | 260,5 | 8,1 | RSK402400 | 253.37 x 7.0 |
| 245,0 | 265,5 | 8,1 | RSK402450 | 253.37 x 7.0 |
| 250,0 | 270,5 | 8,1 | RSK402500 | 266.07 x 7.0 |
| 260,0 | 284,0 | 8,1 | RSK802600 | 266.07 x 7.0 |
| 265,0 | 289,0 | 8,1 | RSK802650 | 278.77 x 7.0 |
| 270,0 | 290,5 | 8,1 | RSK402700 | 278.77 x 7.0 |
| 270,0 | 294,0 | 8,1 | RSK802700 | 278.77 x 7.0 |
| 275,0 | 299,0 | 8,1 | RSK802750 | 291.47 x 7.0 |
| 280,0 | 304,0 | 8,1 | RSK802800 | 291.47 x 7.0 |
| 285,0 | 309,0 | 8,1 | RSK802850 | 291.47 x 7.0 |
| 290,0 | 314,0 | 8,1 | RSK802900 | 304.17 x 7.0 |
| 295,0 | 319,0 | 8,1 | RSK802950 | 304.17 x 7.0 |
| 300,0 | 320,5 | 8,1 | RSK403000 | 304.17 x 7.0 |
| 300,0 | 324,0 | 8,1 | RSK803000 | 316.87 x 7.0 |
| 310,0 | 334,0 | 8,1 | RSK803100 | 316.87 x 7.0 |
| 320,0 | 344,0 | 8,1 | RSK803200 | 329.57 x 7.0 |
| 330,0 | 354,0 | 8,1 | RSK803300 | 342.27 x 7.0 |
| 340,0 | 364,0 | 8,1 | RSK803400 | 354.97 x 7.0 |
| 350,0 | 370,5 | 8,1 | RSK403500 | 354.97 x 7.0 |
| 350,0 | 374,0 | 8,1 | RSK803500 | 367.67 x 7.0 |
| 360,0 | 384,0 | 8,1 | RSK803600 | 367.67 x 7.0 |
| 365,0 | 389,0 | 8,1 | RSK803650 | 380.37 x 7.0 |
| 370,0 | 394,0 | 8,1 | RSK803700 | 380.37 x 7.0 |
| 375,0 | 399,0 | 8,1 | RSK803750 | 393.07 x 7.0 |
| 380,0 | 404,0 | 8,1 | RSK803800 | 393.07 x 7.0 |
| 390,0 | 414,0 | 8,1 | RSK803900 | 405.26 x 7.0 |
| 400,0 | 424,0 | 8,1 | RSK804000 | 417.96 x 7.0 |
| 410,0 | 434,0 | 8,1 | RSK804100 | 417.96 x 7.0 |
| 420,0 | 444,0 | 8,1 | RSK804200 | 430.66 x 7.0 |
| 430,0 | 454,0 | 8,1 | RSK804300 | 443.36 x 7.0 |
| 435,0 | 459,0 | 8,1 | RSK804350 | 443.36 x 7.0 |
| 440,0 | 464,0 | 8,1 | RSK804400 | 456.06 x 7.0 |
| 450,0 | 474,0 | 8,1 | RSK804500 | 468.76 x 7.0 |
| 460,0 | 484,0 | 8,1 | RSK804600 | 468.76 x 7.0 |
| 470,0 | 494,0 | 8,1 | RSK804700 | 481.46 x 7.0 |
| 480,0 | 504,0 | 8,1 | RSK804800 | 494.16 x 7.0 |
| 485,0 | 509,0 | 8,1 | RSK804850 | 494.16 x 7.0 |
| 490,0 | 514,0 | 8,1 | RSK804900 | 506.86 x 7.0 |
| 500,0 | 524,0 | 8,1 | RSK805000 | 506.86 x 7.0 |
| 510,0 | 534,0 | 8,1 | RSK805100 | 532.26 x 7.0 |
| 520,0 | 544,0 | 8,1 | RSK805200 | 532.26 x 7.0 |
| 525,0 | 549,0 | 8,1 | RSK805250 | 532.26 x 7.0 |
| 530,0 | 554,0 | 8,1 | RSK805300 | 557.66 x 7.0 |
| 540,0 | 564,0 | 8,1 | RSK805400 | 557.66 x 7.0 |
| 550,0 | 574,0 | 8,1 | RSK805500 | 557.66 x 7.0 |
| 560,0 | 584,0 | 8,1 | RSK805600 | 582.68 x 7.0 |
| 570,0 | 594,0 | 8,1 | RSK805700 | 582.68 x 7.0 |
| 580,0 | 604,0 | 8,1 | RSK805800 | 608.08 x 7.0 |
| 585,0 | 609,0 | 8,1 | RSK805850 | 608.08 x 7.0 |
| 590,0 | 614,0 | 8,1 | RSK805900 | 608.08 x 7.0 |
| 600,0 | 624,0 | 8,1 | RSK806000 | 608.08 x 7.0 |
| 610,0 | 634,0 | 8,1 | RSK806100 | 633.48 x 7.0 |
| 620,0 | 644,0 | 8,1 | RSK806200 | 633.48 x 7.0 |
| 630,0 | 654,0 | 8,1 | RSK806300 | 658.88 x 7.0 |
| 640,0 | 664,0 | 8,1 | RSK806400 | 658.88 x 7.0 |
| 650,0 | 677,3 | 9,5 | RSK506500 | 663 x 8.4 |
| Rod | Groove Diame- ter | Groove Width | Part No. | O-Ring* Size |
| dN f8/h9 | D1 H9 | L1 +0.2 | ||
| 656,0 | 683,3 | 9,5 | RSK506560 | 669 x 8.4 |
| 660,0 | 687,3 | 9,5 | RSK506600 | 673 x 8.4 |
| 680,0 | 707,3 | 9,5 | RSK506800 | 693 x 8.4 |
| 685,0 | 712,3 | 9,5 | RSK506850 | 698 x 8.4 |
| 700,0 | 724,0 | 8,1 | RSK807000 | 712 x 7.0 |
| 700,0 | 727,3 | 9,5 | RSK507000 | 713 x 8.4 |
| 710,0 | 737,3 | 9,5 | RSK507100 | 723 x 8.4 |
| 730,0 | 757,3 | 9,5 | RSK507300 | 743 x 8.4 |
| 760,0 | 787,3 | 9,5 | RSK507600 | 773 x 8.4 |
| 765,0 | 792,3 | 9,5 | RSK507650 | 778 x 8.4 |
| 780,0 | 807,3 | 9,5 | RSK507800 | 793 x 8.4 |
| 790,0 | 817,3 | 9,5 | RSK507900 | 803 x 8.4 |
| 800,0 | 827,3 | 9,5 | RSK508000 | 813 x 8.4 |
| 810,0 | 837,3 | 9,5 | RSK508100 | 823 x 8.4 |
| 820,0 | 847,3 | 9,5 | RSK508200 | 833 x 8.4 |
| 830,0 | 857,3 | 9,5 | RSK508300 | 843 x 8.4 |
| 850,0 | 877,3 | 9,5 | RSK508500 | 863 x 8.4 |
| 870,0 | 897,3 | 9,5 | RSK508700 | 883 x 8.4 |
| 880,0 | 907,3 | 9,5 | RSK508800 | 893 x 8.4 |
| 885,0 | 912,3 | 9,5 | RSK508850 | 898 x 8.4 |
| 890,0 | 917,3 | 9,5 | RSK508900 | 903 x 8.4 |
| 930,0 | 957,3 | 9,5 | RSK509300 | 943 x 8.4 |
| 955,0 | 982,3 | 9,5 | RSK509550 | 968 x 8.4 |
| 1000,0 | 1038,0 | 13,8 | RSK6X1000 | 1016 x 12 |
| 1035,0 | 1073,0 | 13,8 | RSK6X1035 | 1051 x 12 |
| 1040,0 | 1067,3 | 9,5 | RSK5X1040 | 1053 x 8.4 |
| 1040,0 | 1078,0 | 13,8 | RSK6X1040 | 1056 x 12 |
| 1050,0 | 1077,3 | 9,5 | RSK5X1050 | 1063 x 8.4 |
| 1050,0 | 1088,0 | 13,8 | RSK6X1050 | 1066 x 12 |
| 1100,0 | 1138,0 | 13,8 | RSK6X1100 | 1116 x 12 |
| 1120,0 | 1147,3 | 9,5 | RSK5X1120 | 1133 x 8.4 |
| 1120,0 | 1158,0 | 13,8 | RSK6X1120 | 1136 x 12 |
| 1200,0 | 1227,3 | 9,5 | RSK5X1200 | 1213 x 8.4 |
| 1200,0 | 1238,0 | 13,8 | RSK6X1200 | 1216 x 12 |
| 1330,0 | 1357,3 | 9,5 | RSK5X1330 | 1343 x 8.4 |
| 1330,0 | 1368,0 | 13,8 | RSK6X1330 | 1346 x 12 |
| 1500,0 | 1527,3 | 9,5 | RSK5X1500 | 1513 x 8.4 |
| 1500,0 | 1538,0 | 13,8 | RSK6X1500 | 1516 x 12 |
| 1600,0 | 1638,0 | 13,8 | RSK6X1600 | 1616 x 12 |
| 2000,0 | 2038,0 | 13,8 | RSK6X2000 | 2016 x 12 |
| 2600,0 | 2638,0 | 13,8 | RSK6X2600 | 2616 x 12 |

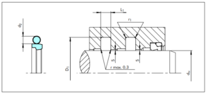
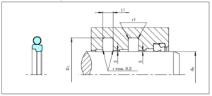
Dimensions to ISO 7425/2.
Turcon Stepseal 2K seals to fit grooves to ISO 7425/2 are additionally marked with a chamfer on the corner of the outside diameter.

The dimensions for clearance S, depending on seal dimensions (groove width) and pressure, can be taken from Table XI. For dimensions dN, D1 and L1 please refer to Table XIV

| Rod | Groove Diame- ter | Groove Width | r1 | Part No. | O-Ring Size | ||||||
| dN f8/h9 |
D1 H9 |
L1 +0,25 |
|||||||||
| 6,0 | 11,0 | 2,2 | 0,5 | RSKA00060 | 7.65 x 1.78 | ||||||
| 8,0 | 13,0 | 2,2 | 0,5 | RSKA00080 | 9.5 x 1.8 | ||||||
| 10,0 | 15,0 | 2,2 | 0,5 | RSKA00100 | 11.8 x 1.8 | ||||||
| 12,0 | 17,0 | 2,2 | 0,5 | RSKA00120 | 14.0 x 1.78 | ||||||
| 12,0 | 19,5 | 3,2 | 0,5 | RSKB00120 | 13.94 x 2.62 | ||||||
| 14,0 | 19,0 | 2,2 | 0,5 | RSKA00140 | 15.60 x 1.78 | ||||||
| 14,0 | 21,5 | 3,2 | 0,5 | RSKB00140 | 17.12 x 2.62 | ||||||
| 16,0 | 23,5 | 3,2 | 0,5 | RSKB00160 | 18.72 x 2.62 | ||||||
| 18,0 | 25,5 | 3,2 | 0,5 | RSKB00180 | 20.29 x 2.62 | ||||||
| 20,0 | 27,5 | 3,2 | 0,5 | RSKB00200 | 23.47 x 2.62 | ||||||
| 20,0 | 31,0 | 4,2 | 0,5 | RSKC00200 | 25.00 x 3.53 | ||||||
| 22,0 | 29,5 | 3,2 | 0,5 | RSKB00220 | 25.07 x 2.62 | ||||||
| 22,0 | 33,0 | 4,2 | 0,5 | RSKC00220 | 26.58 x 3.53 | ||||||
| 25,0 | 32,5 | 3,2 | 0,5 | RSKB00250 | 28.24 x 2.62 | ||||||
| 25,0 | 36,0 | 4,2 | 0,5 | RSKC00250 | 29.75 x 3.53 | ||||||
| 28,0 | 39,0 | 4,2 | 0,5 | RSKC00280 | 32.92 x 3.53 | ||||||
| 32,0 | 43,0 | 4,2 | 0,5 | RSKC00320 | 36.09 x 3.53 | ||||||
| 36,0 | 47,0 | 4,2 | 0,5 | RSKC00360 | 40.87 x 3.53 | ||||||
| 40,0 | 51,0 | 4,2 | 0,5 | RSKC00400 | 44.04 x 3.53 | ||||||
| 45,0 | 56,0 | 4,2 | 0,5 | RSKC00450 | 50.39 x 3.53 | ||||||
| 50,0 | 61,0 | 4,2 | 0,5 | RSKC00500 | 53.57 x 3.53 | ||||||
| 56,0 | 67,0 | 4,2 | 0,5 | RSKC00560 | 59.92 x 3.53 | ||||||
| 56,0 | 71,5 | 6,3 | 0,9 | RSKD00560 | 62.87 x 5.33 | ||||||
| 63,0 | 74,0 | 4,2 | 0,5 | RSKC00630 | 66.27 x 3.53 | ||||||
| 63,0 | 78,5 | 6,3 | 0,9 | RSKD00630 | 69.22 x 5.33 | ||||||
| 70,0 | 85,5 | 6,3 | 0,9 | RSKD00700 | 75.57 x 5.33 | ||||||
| 80,0 | 95,5 | 6,3 | 0,9 | RSKD00800 | 85.09 x 5.33 | ||||||
| 90,0 | 105,5 | 6,3 | 0,9 | RSKD00900 | 94.62 x 5.33 | ||||||
| 100,0 | 115,5 | 6,3 | 0,9 | RSKD01000 | 107.32 x 5.33 | ||||||
| Rod | Groove Diame- ter | Groove Width | r1 | Part No. | O-Ring Size | ||||||
| dN f8/h9 |
D1 H8 |
L1 +0.25 |
|||||||||
| 110,0 | 125,5 | 6,3 | 0,9 | RSKD01100 | 116.84 x 5.33 | ||||||
| 125,0 | 140,5 | 6,3 | 0,9 | RSKD01250 | 132.72 x 5.33 | ||||||
| 140,0 | 155,5 | 6,3 | 0,9 | RSKD01400 | 145.42 x 5.33 | ||||||
| 160,0 | 175,5 | 6,3 | 0,9 | RSKD01600 | 164.47 x 5.33 | ||||||
| 160,0 | 181,0 | 8,1 | 0,9 | RSKE01600 | 170.82 x 7.0 | ||||||
| 180,0 | 195,5 | 6,3 | 0,9 | RSKD01800 | 189.87 x 5.33 | ||||||
| 180,0 | 201,0 | 8,1 | 0,9 | RSKE01800 | 189.87 x 7.0 | ||||||
| 200,0 | 221,0 | 8,1 | 0,9 | RSKE02000 | 215.27 x 7.0 | ||||||
| 220,0 | 241,0 | 8,1 | 0,9 | RSKE02200 | 227.97 x 7.0 | ||||||
| 250,0 | 271,0 | 8,1 | 0,9 | RSKE02500 | 266.07 x 7.0 | ||||||
| 280,0 | 304,5 | 8,1 | 0,9 | RSKF02800 | 291.47 x 7.0 | ||||||
| 320,0 | 344,5 | 8,1 | 0,9 | RSKF03200 | 329.57 x 7.0 | ||||||
| 360,0 | 384,5 | 8,1 | 0,9 | RSKF03600 | 367.67 x 7.0 | ||||||
Ordering example
Turcon Stepseal 2K to ISO 7425/2
Rod diameter: dN = 63.0 mm
Groove width: L1 = 4.2mm
Part No. RSKC00630
Select thematerial from Table X. The corresponding code numbers are appended to the Part No. (from Table XIV). Together these form the order number.








Beoordelingen
Er zijn nog geen beoordelingen.