TURCON STEPSEAL 2K
Description
The Turcon stepseal 2k is a single-acting seal element consisting of a seal ring of high-grade Turcon or Zurcon materials and an O-Ring as energizing element. The Stepseal 2K was originally developed and patented by Busak+Shamban as a rod seal. Due to its outstanding properties, however, it is equally well suited as a single-acting piston seal where high demands are made on positional accuracy and free movement.

Advantages
– High static and dynamic sealing effect
– Stick-slip free operation for precise control
– High abrasion resistance and high resistance to
extrusion
– Long service life
– Simple groove design, one-piece piston possible
– Wide range of application temperatures and high
resistance to chemicals, depending on the choice of
O-Ring material
– Simple installation without seal edge deformation
– Available for all diameters up to 2.700 mm
– Low friction
Application Examples
The Turcon Stepseal 2K is the recommended sealing element for single acting pistons in hydraulic components for:
- Injection moulding machines
- Machine tools
- Presses
It is particularly recommended in floating piston accumulators as primary seal on the oil side in combination with AQ-Seal and AQ-Seal 5.
Technical Data
Operating conditions
pressure:Â Â Â Â Â Â Â Â Â Â Â Up to 80 MPa
Speed:Â Â Â Â Â Â Â Â Â Â Â Â Â Â Up to 15 m/s, frequency up to 5 Hz
Temperature:Â Â Â Â Â Â Â Â -45qC to +200qC *)
Media:Â Â Â Â Â Â Â Mineral oil-based hydraulic fluids, flame retardant hydraulic fluids, environmentally safe hydraulic fluids (bio-oils), water, air and others, depending on the O-Ring material
Clearance:Â Â Â Â The maximum permissible radial clearance Smax is shown in Table, as a function of the operating pressure and functional diameter.
Important Note:
The above data are maximum values and cannot be used at the same time. e.g. the maximum operating speed depends on material type, pressure, temperature and gap value. Temperature range also dependent on medium. In the case of unpressurized applications in temperatures below 0°C please contact our application engineers for assistance
Materials
Standard Application:
For hydraulic components in mineral oils containing zinc or medium with good lubricating performance.
Turcon Seal: Turcon T46
Energiser: O-Ring NBR 70 Shore A or FKM 70
Shore A depending on the temperature
Set reference: T46 N or T46 V
Special Application:
Non-lubricating fluids or pneumatic applications require self-lubricating sealing materials. Therefore we recommend:
- Turcon Seal: Turcon T29
- Energiser: O-Ring NBR 70 Shore A or FKM 70 Shore A depending on the temperature
- Set reference: T29 N or T29 V
- Rough mating surface finish and improved leakage control
- Zurcon Seal: Zurcon Z51
- Energiser: O-Ring NBR 70 Shore A
- Set reference: Z51 N
Series
Different cross-section sizes are recommended as a function of the seal diameters. These are the criteria for these recommendations.
The table , shows the relationship between the series number according to the seal diameter range and the different application class sizes. These application classes are:
Standard application:Â Â General applications in which no exceptional operating conditions exist.
Light application:Â Â Applications with demands for reduced friction or for smaller grooves.
Heavy-duty application:Â Â For exceptional operating loads such as high pressures, pressure peaks, etc.

Groove
Stepseal 2K are also available on request for the groove sizes to ISO 7425/1.
Turcon and Zurcon materials for Stepseal 2K
| Material, Applications, Properties | Code | O-Ring Material | Code | O-Ring Operating Temp.* °C |
Mating Surface Material | MPa max. |
|||||||
| Turcon® T46 Standard material for hydraulics, high compressive strength, good sliding and wear properties, good extrusion resistance, BAM tested. Bronze filled Colour: Greyish to dark brown |
T46 | NBR-70 Shore A | N | -30 to +100 | Steel tube Steel, hardened Cast iron | 70 | |||||||
| NBR-Low temp. 70 Shore A | T | -45 to +80 | |||||||||||
| FKM-70 Shore A | V | -10 to +200 | |||||||||||
| Turcon® T08 Very high compressive strength, very good extrusion resistance. High bronze filled Colour: Light to dark brown |
T08 | NBR-70 Shore A | N | -30 to +100 | Steel tube Steel, hardened Cast iron | 80 | |||||||
| NBR-Low temp. 70 Shore A | T | -45 to +80 | |||||||||||
| FKM-70 Shore A | V | -10 to +200 | |||||||||||
|
Turcon® T40 |
T40 | NBR-70 Shore A | N | -30 to +100 | Steel Cast iron Stainless steel Aluminium Bronze Alloys |
30 | |||||||
| NBR-Low temp. 70 Shore A | T | -45 to +80 | |||||||||||
| FKM-70 Shore A | V |
|
|||||||||||
| EPDM-70 Shore A | E** | -45 to +145 | |||||||||||
| Turcon® T29 For all lubricating and non-lubricating hydraulic fluids, hydraulic oils without zinc, soft mating surfaces, good extrusion resistance. Surface texture not suitable for gases. High carbon fibre filled Colour: Grey |
T29 | NBR-70 Shore A | N | -30 to +100 | Steel Cast iron Stainless steel Aluminium Bronze |
70 | |||||||
| NBR-Low temp. 70 Shore A | T | -45 to +80 | |||||||||||
| FKM-70Â Shore A | V | -10 to +200 | |||||||||||
| EPDM-70 Shore A | E** | -45 to +145 | |||||||||||
| Turcon® T05 For all lubricating hydraulic fluids, hard mating surfaces, very good slide properties, low friction. Colour: Turquoise |
T05 | NBR-70 Shore A | N | -30 to +100 | Steel tube Steel, hardened | 25 | |||||||
| NBR-Low temp. 70 Shore A | T | -45 to +80 | |||||||||||
| FKM-70 Shore A | V | -10 to +200 | |||||||||||
| Turcon® T42 For all lubricating and non-lubricating hydraulic fluids, good chemical resistance, good dielectric properties. Glass fibre filled + MoS2 Colour: Grey to blue |
T42 | NBR-70 Shore A | N | -30 to +100 | Steel tube Steel, hardened Cast iron | 40 | |||||||
| NBR-Low temp. 70 Shore A | T | -45 to +80 | |||||||||||
| FKM-70 Shore A | V | -10 to +200 | |||||||||||
| Turcon® T10 For oil hydraulic and pneumatic, for all lubricating and non- lubricating fluids, high extrusion resistance, good chemical resistance, BAM tested. Carbon, graphite filled Colour: Black |
T10 | NBR-70 Shore A | N | -30 to +100 | Steel Stainless steel | 70 | |||||||
| NBR-Low temp. 70 Shore A | T | -45 to +80 | |||||||||||
| FKM-70 Shore A | V | -10 to +200 | |||||||||||
| EPDM-70 Shore A | E** | -45 to +145 | |||||||||||
| Zurcon® Z51*** For lubricating hydraulic fluids, high abrasion resistance, high extrusion resistance, limited chemical resistance. Cast polyurethane Colour: Yellow to light-brown |
Z51 | NBR-70 Shore A | N | -30 to +100 | Steel Steel, hardened Cast iron Ceramic coating Stainless steel |
80 | |||||||
| NBR-Low temp. 70 Shore A | T | -45 to +80 | |||||||||||
| ZurconR Z80 For lubricating and non-lubricating hydraulic fluids, high abrasion resistance, very good chemical resistance, limited temp. resistance. Ultra high molecular weight polyethylen Colour: White to off-white |
Z80 | NBR-70 Shore A | N | -30 to +80 | Steel Stainless steel Aluminium Bronze Ceramic coating |
45 | |||||||
| NBR-Low temp. 70 Shore A | T | -45 to +80 |


Ordering example
Turcon Stepseal 2K, complete with O-Ring, standard application, Series PSK3 (from Table).
Bore diameter: DN = 80.0 mm
Part No. PSK300800 (from Table)
Select the material from Table. The corresponding code numbers are appended to the Part No. (from Table). Together they form the Order No. For all intermediate sizes not shown in Table,    The Order No. can be determined from the example opposite.
For diameters t 1000.0 mm multiply only by factor 1. Example: PSK6 for diameter 1200.0 mm. Order no: PSK6X1200 – T46N

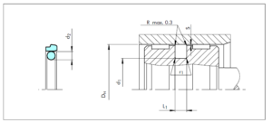
Turcon stepseal 2k
| Bore Dia. | Groove Dia. | Groove Width | Part No. | O-Ring Dimensions |
| DNÂ H9 | d1Â Â h9 | L1 +0.2 | ||
| 9,0 | 4,1 | 2,2 | PSK000090 | 3.68 x 1.78 |
| 10,0 | 5,1 | 2,2 | PSK000100 | 4.80 x 1.8 |
| 12,0 | 7,1 | 2,2 | PSK000120 | 6.70 x 1.8 |
| 14,0 | 9,1 | 2,2 | PSK000140 | 8.75 x 1.8 |
| 15,0 | 10,1 | 2,2 | PSK000150 | 9.25 x 1.78 |
| 16,0 | 11,1 | 2,2 | PSK000160 | 10.82 x 1.78 |
| 18,0 | 10,7 | 3,2 | PSK100180 | 9.19 x 2.62 |
| 20,0 | 15,1 | 2,2 | PSK000200 | 14.00 x 1.78 |
| 20,0 | 12,7 | 3,2 | PSK100200 | 12.37 x 2.62 |
| 22,0 | 14,7 | 3,2 | PSK100220 | 13.94 x 2.62 |
| 25,0 | 17,7 | 3,2 | PSK100250 | 17.12 x 2.62 |
| 25,0 | 14,3 | 4,2 | PSK200250 | 13.87 x 3.53 |
| 28,0 | 17,3 | 4,2 | PSK200280 | 15.47 x 3.53 |
| 30,0 | 22,7 | 3,2 | PSK100300 | 21.89 x 2.62 |
| 30,0 | 19,3 | 4,2 | PSK200300 | 18.66 x 3.53 |
| 32,0 | 24,7 | 3,2 | PSK100320 | 23.47 x 2.62 |
| 32,0 | 21,3 | 4,2 | PSK200320 | 20.22 x 3.53 |
| 35,0 | 24,3 | 4,2 | PSK200350 | 23.40 x 3.53 |
| 40,0 | 32,7 | 3,2 | PSK100400 | 31.42 x 2.62 |
| 40,0 | 29,3 | 4,2 | PSK200400 | 28.17 x 3.53 |
| 42,0 | 31,3 | 4,2 | PSK200420 | 29.75 x 3.53 |
| 45,0 | 34,3 | 4,2 | PSK200450 | 32.92 x 3.53 |
| 48,0 | 37,3 | 4,2 | PSK200480 | 36.09 x 3.53 |
| 50,0 | 39,3 | 4,2 | PSK200500 | 37.70 x 3.53 |
| 50,0 | 34,9 | 6,3 | PSK300500 | 32.69 x 5.33 |
| 52,0 | 41,3 | 4,2 | PSK200520 | 40.87 x 3.53 |
| 55,0 | 44,3 | 4,2 | PSK200550 | 44.04 x 3.53 |
| 60,0 | 44,9 | 6,3 | PSK300600 | 43.82 x 5.33 |
| 63,0 | 52,3 | 4,2 | PSK200630 | 50.39 x 3.53 |
| 63,0 | 47,9 | 6,3 | PSK300630 | 46.99 x 5.33 |
| 65,0 | 49,9 | 6,3 | PSK300650 | 46.99 x 5.33 |
| 70,0 | 59,3 | 4,2 | PSK200700 | 56.74 x 3.53 |
| 70,0 | 54,9 | 6,3 | PSK300700 | 53.34 x 5.33 |
| 75,0 | 59,9 | 6,3 | PSK300750 | 56.52 x 5.33 |
| 80,0 | 64,9 | 6,3 | PSK300800 | 62.87 x 5.33 |
| 80,0 | 59,5 | 8,1 | PSK400800 | 58 x 7.0 |
| 85,0 | 69,9 | 6,3 | PSK300850 | 69.22 x 5.33 |
| 85,0 | 64,5 | 8,1 | PSK400850 | 63 x 7.0 |
| 90,0 | 74,9 | 6,3 | PSK300900 | 72.39 x 5.33 |
| 90,0 | 69,5 | 8,1 | PSK400900 | 68 x 7.0 |
| 95,0 | 79,9 | 6,3 | PSK300950 | 78.74 x 5.33 |
| 95,0 | 74,5 | 8,1 | PSK400950 | 73 x 7.0 |
| 100,0 | 84,9 | 6,3 | PSK301000 | 81.92 x 5.33 |
| 100,0 | 79,5 | 8,1 | PSK401000 | 78 x 7.0 |
| 105,0 | 89,9 | 6,3 | PSK301050 | 88.27 x 5.33 |
| 105,0 | 84,5 | 8,1 | PSK401050 | 83 x 7.0 |
| 106,0 | 90,9 | 6,3 | PSK301060 | 88.27 x 5.33 |
| 110,0 | 94,9 | 6,3 | PSK301100 | 91.44 x 5.33 |
| 110,0 | 89,5 | 8,1 | PSK401100 | 88 x 7.0 |
| 115,0 | 99,9 | 6,3 | PSK301150 | 97.79 x 5.33 |
| 115,0 | 94,5 | 8,1 | PSK401150 | 93 x 7.0 |
| 120,0 | 104,9 | 6,3 | PSK301200 | 104.14 x 5.33 |
| 120,0 | 99,5 | 8,1 | PSK401200 | 98 x 7.0 |
| 125,0 | 109,9 | 6,3 | PSK301250 | 107.32 x 5.33 |
| 125,0 | 104,5 | 8,1 | PSK401250 | 103 x 7.0 |
| 130,0 | 114,9 | 6,3 | PSK301300 | 113.67 x 5.33 |
| 130,0 | 109,5 | 8,1 | PSK401300 | 108 x 7.0 |
| 135,0 | 114,5 | 8,1 | PSK401350 | 113.67 x 7.0 |
| 140,0 | 119,5 | 8,1 | PSK401400 | 116.84 x 7.0 |
| 145,0 | 124,5 | 8,1 | PSK401450 | 123.19 x 7.0 |
| 150,0 | 129,5 | 8,1 | PSK401500 | 126.37 x 7.0 |
| 155,0 | 139,9 | 6,3 | PSK301550 | 135.89 x 5.33 |
| 160,0 | 144,9 | 6,3 | PSK301600 | 142.24 x 5.33 |
| 160,0 | 139,5 | 8,1 | PSK401600 | 135.89 x 7.00 |
| 165,0 | 149,9 | 6,3 | PSK301650 | 148.49 x 5.33 |
| 165,0 | 144,5 | 8,1 | PSK401650 | 142.24 x 7.0 |
| 170,0 | 149,5 | 8,1 | PSK401700 | 145.42 x 7.0 |
| 175,0 | 159,9 | 6,3 | PSK301750 | 158.12 x 5.33 |
| 180,0 | 164,9 | 6,3 | PSK301800 | 164.47 x 5.33 |
| 180,0 | 159,5 | 8,1 | PSK401800 | 158.12 x 7.0 |
| 190,0 | 174,9 | 6,3 | PSK301900 | 170.82 x 5.33 |
| 190,0 | 169,5 | 8,1 | PSK401900 | 164.47 x 7.0 |
| 200,0 | 184,9 | 6,3 | PSK302000 | 183.52 x 5.33 |
| 200,0 | 179,5 | 8,1 | PSK402000 | 177.17 x 7.0 |
| 205,0 | 184,5 | 8,1 | PSK402050 | 183.52 x 7.0 |
| 210,0 | 189,5 | 8,1 | PSK402100 | 183.52 x 7.0 |
| 220,0 | 204,9 | 6,3 | PSK302200 | 202.57 x 5.33 |
| 220,0 | 199,5 | 8,1 | PSK402200 | 196.22 x 7.0 |
| 230,0 | 209,5 | 8,1 | PSK402300 | 208.92 x 7.0 |
| 240,0 | 219,5 | 8,1 | PSK402400 | 215.27 x 7.0 |
| 250,0 | 229,5 | 8,1 | PSK402500 | 227.97 x 7.0 |
| 250,0 | 226,0 | 8,1 | PSK802500 | 227.97 x 7.0 |
| 260,0 | 236,0 | 8,1 | PSK802600 | 227.97 x 7.0 |
| 270,0 | 246,0 | 8,1 | PSK802700 | 240.67 x 7.0 |
| 280,0 | 256,0 | 8,1 | PSK802800 | 253.37 x 7.0 |
| 300,0 | 276,0 | 8,1 | PSK803000 | 266.07 x 7.0 |
| 306,0 | 285,5 | 8,1 | PSK403060 | 278.77 x 7.0 |
| 310,0 | 286,0 | 8,1 | PSK803100 | 278.77 x 7.0 |
| 320,0 | 299,5 | 8,1 | PSK403200 | 291.47 x 7.0 |
| 320,0 | 296,0 | 8,1 | PSK803200 | 291.47 x 7.0 |
| 330,0 | 306,0 | 8,1 | PSK803300 | 304.17 x 7.0 |
| 340,0 | 316,0 | 8,1 | PSK803400 | 316.87 x 7.0 |
| 345,0 | 324,5 | 8,1 | PSK403450 | 316.87 x 7.0 |
| 350,0 | 326,0 | 8,1 | PSK803500 | 316.87 x 7.0 |
| 360,0 | 336,0 | 8,1 | PSK803600 | 329.57 x 7.0 |
| 370,0 | 346,0 | 8,1 | PSK803700 | 342.27 x 7.0 |
| 380,0 | 356,0 | 8,1 | PSK803800 | 354.97 x 7.0 |
| 400,0 | 376,0 | 8,1 | PSK804000 | 367.67 x 7.0 |
| 420,0 | 396,0 | 8,1 | PSK804200 | 393.07 x 7.0 |
| 430,0 | 406,0 | 8,1 | PSK804300 | 405.26 x 7.0 |
| 440,0 | 416,0 | 8,1 | PSK804400 | 405.26 x 7.0 |
| 450,0 | 426,0 | 8,1 | PSK804500 | 417.96 x 7.0 |
| 480,0 | 456,0 | 8,1 | PSK804800 | 456.06 x 7.0 |
| 500,0 | 476,0 | 8,1 | PSK805000 | 468.76 x 7.0 |
| 520,0 | 499,5 | 8,1 | PSK405200 | 494.16 x 7.0 |
| 540,0 | 516,0 | 8,1 | PSK805400 | 506.86 x 7.0 |
| 600,0 | 576,0 | 8,1 | PSK806000 | 557.66 x 7.0 |
| 650,0 | 626,0 | 8,1 | PSK806500 | 608.08 x 7.0 |
| 700,0 | 672,7 | 9,5 | PSK507000 | 670 x 8.4 |
| 800,0 | 772,7 | 9,5 | PSK508000 | 770 x 8.4 |
| 860,0 | 832,7 | 9,5 | PSK508600 | 830 x 8.4 |
| 900,0 | 872,7 | 9,5 | PSK509000 | 870 x 8.4 |
| 920,0 | 892,7 | 9,5 | PSK509200 | 890 x 8.4 |
| 1000,0 | 972,7 | 9,5 | PSK5X1000 | 970 x 8.4 |
| 1000,0 | 962,0 | 13,8 | PSK6X1000 | 960 x 12.0 |
| 1200,0 | 1172,7 | 9,5 | PSK5X1200 | 1170 x 8.4 |
| 1200,0 | 1162,0 | 13,8 | PSK6X1200 | 1160 x 12.0 |
| 1500,0 | 1462,0 | 13,8 | PSK6X1500 | 1460 x 12.0 |
| 2000,0 | 1962,0 | 13,8 | PSK6X2000 | 1960 x 12.0 |
| 2700,0 | 2662,0 | 13,8 | PSK6X2700 | 2660 x 12.0 |







Beoordelingen
Er zijn nog geen beoordelingen.